Konektor-601865
Koda: 5661-Podroben opis izdelka
Pozlačeni izolirani obročkasti nastavki za večžične bakrene kable.
Več podatkov v GALERIJI.
TEHNIČNI PODATKI:
- Material: elektro bakra, pozlačena
- Izolacija: PVC
- Obseg delovne temperature: -55°C-105°C
- Žica [mm2]: 16
- Barva: rdeča
- Za vijak: M8
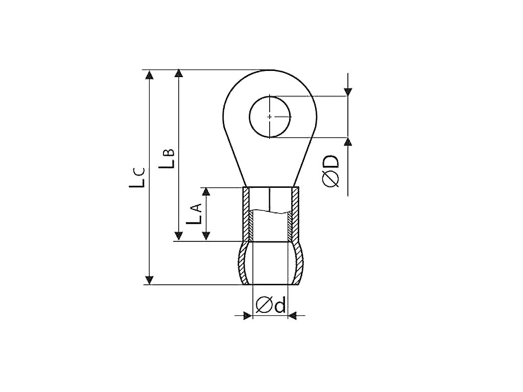
DIMENZIJE KONEKTORJA (mm):
Za kabel: 14
Za vijak: M8
D: 8,5
d/La: 6x10
Lb/Lc: 29x47
Dodatni parametri
| Kategorija: | Montažni konektorji |
|---|---|
| Teža: | 0.001 kg |
| EAN: | 5900804018223 |
| Artikel je bil razprodan… | |
Ocena izdelka
Bodite prvi, ki bo objavil članek k tej postavki!
Razprava
Bodite prvi, ki bo objavil članek k tej postavki!
